OEM ЗАПЧАСТИ

  info@automotohub.ru   8 (916) 294-84-77
  О Компании   Оплата и Доставка   Помощь   Обратная связь

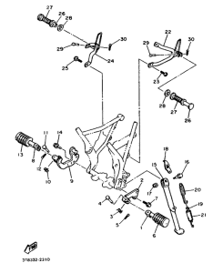
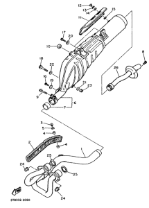
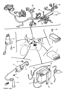
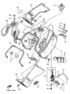
Запчасти для мотоциклов Yamaha XT600EN (20.0KW XT600

Год: 1993  •  Код модели: 3UW4  •  Объем двигателя: 600
Запчасти для мотоциклов Yamaha XT600EN (20.0KW XT600
{modalWnd}