OEM ЗАПЧАСТИ

  info@automotohub.ru   8 (916) 294-84-77
  О Компании   Оплата и Доставка   Помощь   Обратная связь

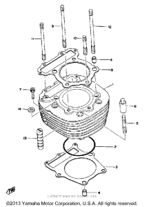
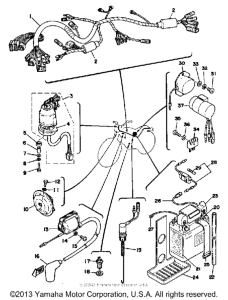
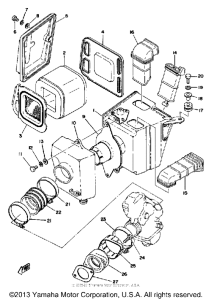
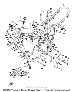
Запчасти для мотоциклов Yamaha XT500C

Год: 1976  •  Объем двигателя: 500
Запчасти для мотоциклов Yamaha XT500C
{modalWnd}