OEM ЗАПЧАСТИ

  info@automotohub.ru   8 (916) 294-84-77
  О Компании   Оплата и Доставка   Помощь   Обратная связь

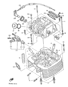
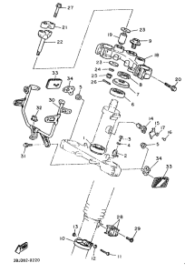
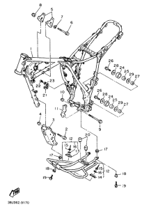
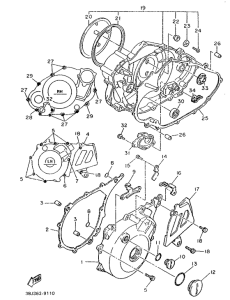
Запчасти для мотоциклов Yamaha XT500T

Год: 1989  •  Код модели: 3BJ2  •  Объем двигателя: 500
Запчасти для мотоциклов Yamaha XT500T
{modalWnd}