OEM ЗАПЧАСТИ

  info@automotohub.ru   8 (916) 294-84-77
  О Компании   Оплата и Доставка   Помощь   Обратная связь

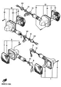
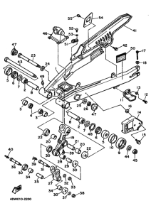
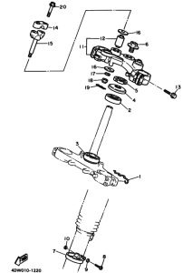
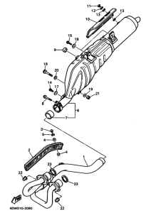
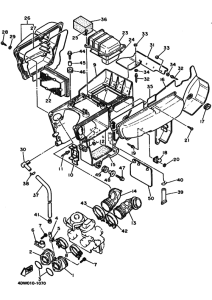
Запчасти для мотоциклов Yamaha XT400E Artesia

Год: 1992  •  Код модели: 4DW2  •  Объем двигателя: 400
Запчасти для мотоциклов Yamaha XT400E Artesia
{modalWnd}