OEM ЗАПЧАСТИ

  info@automotohub.ru   8 (916) 294-84-77
  О Компании   Оплата и Доставка   Помощь   Обратная связь

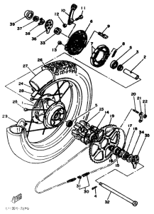
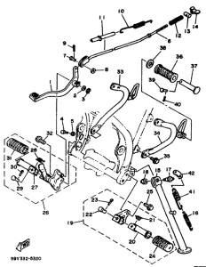
Запчасти для мотоциклов Yamaha XT350H (20KW) XT350

Год: 1988  •  Код модели: 59Y  •  Объем двигателя: 350
Запчасти для мотоциклов Yamaha XT350H (20KW) XT350
{modalWnd}