OEM ЗАПЧАСТИ

  info@automotohub.ru   8 (916) 294-84-77
  О Компании   Оплата и Доставка   Помощь   Обратная связь

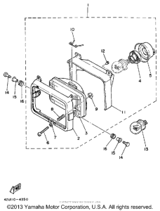
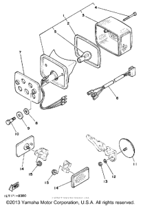
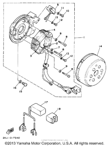
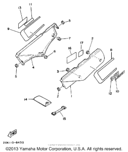
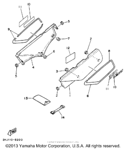
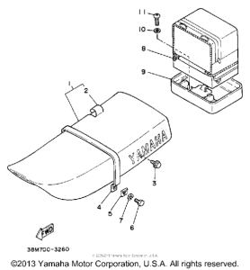
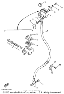
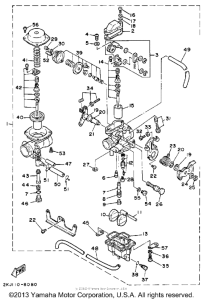
Запчасти для мотоциклов Yamaha XT350U XT350

Год: 1988  •  Объем двигателя: 350
Запчасти для мотоциклов Yamaha XT350U XT350
{modalWnd}