OEM ЗАПЧАСТИ

  info@automotohub.ru   8 (916) 294-84-77
  О Компании   Оплата и Доставка   Помощь   Обратная связь

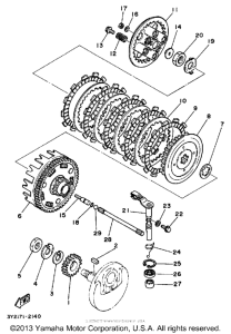
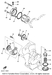
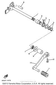
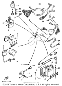
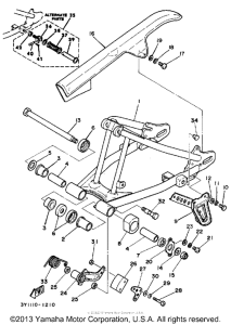
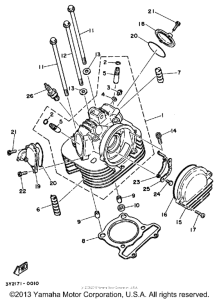
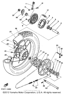
Запчасти для мотоциклов Yamaha XT250KC XT250

Год: 1983  •  Объем двигателя: 250
Запчасти для мотоциклов Yamaha XT250KC XT250
{modalWnd}