OEM ЗАПЧАСТИ

  info@automotohub.ru   8 (916) 294-84-77
  О Компании   Оплата и Доставка   Помощь   Обратная связь

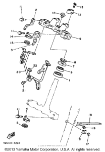
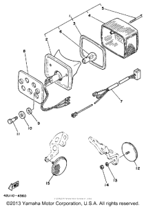
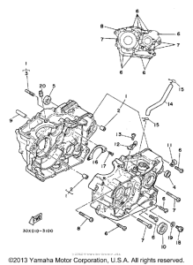
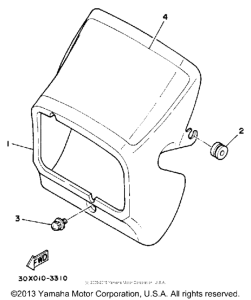
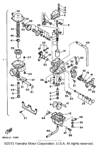
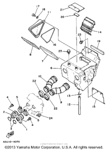
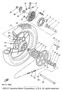
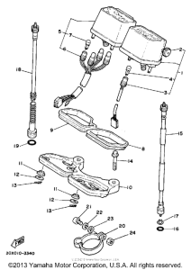
Запчасти для мотоциклов Yamaha XT250LC XT250

Год: 1984  •  Объем двигателя: 250
Запчасти для мотоциклов Yamaha XT250LC XT250
{modalWnd}