OEM ЗАПЧАСТИ

  info@automotohub.ru   8 (916) 294-84-77
  О Компании   Оплата и Доставка   Помощь   Обратная связь

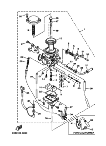
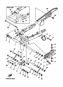
Запчасти для мотоциклов Yamaha XT250 XT250X Serow

Год: 2008  •  Код модели: 3C5A  •  Объем двигателя: 250
Запчасти для мотоциклов Yamaha XT250 XT250X Serow
{modalWnd}