OEM ЗАПЧАСТИ

  info@automotohub.ru   8 (916) 294-84-77
  О Компании   Оплата и Доставка   Помощь   Обратная связь

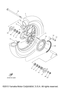
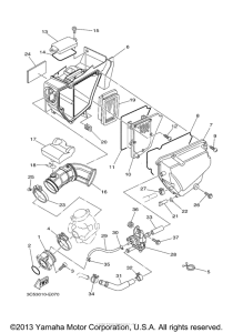
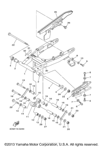
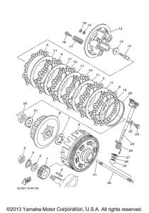
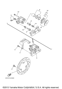
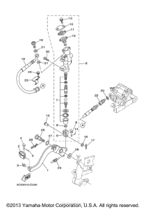
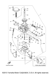
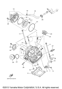
Запчасти для мотоциклов Yamaha XT250Y XT250

Год: 2009  •  Код модели: 3C5D  •  Объем двигателя: 250
Запчасти для мотоциклов Yamaha XT250Y XT250
{modalWnd}