OEM ЗАПЧАСТИ

  info@automotohub.ru   8 (916) 294-84-77
  О Компании   Оплата и Доставка   Помощь   Обратная связь

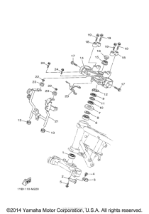
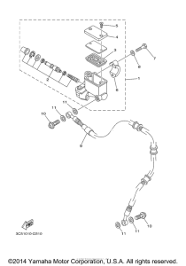
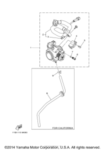
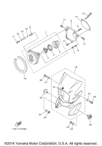
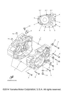
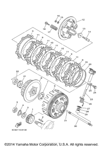
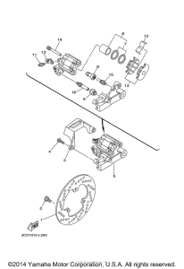
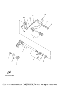
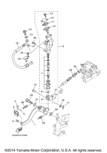
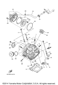
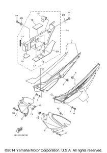
Запчасти для мотоциклов Yamaha XT250D XT250

Год: 2013  •  Код модели: 1YB1  •  Объем двигателя: 250
Запчасти для мотоциклов Yamaha XT250D XT250
{modalWnd}