OEM ЗАПЧАСТИ

  info@automotohub.ru   8 (916) 294-84-77
  О Компании   Оплата и Доставка   Помощь   Обратная связь

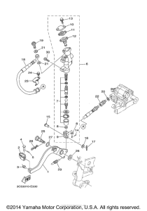
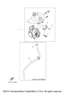
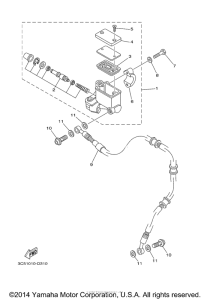
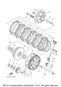
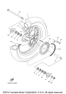
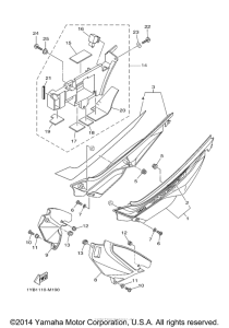
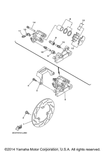
Запчасти для мотоциклов Yamaha XT250EC XT250

Год: 2014  •  Код модели: 1YB6  •  Объем двигателя: 250
Запчасти для мотоциклов Yamaha XT250EC XT250
{modalWnd}