OEM ЗАПЧАСТИ

  info@automotohub.ru   8 (916) 294-84-77
  О Компании   Оплата и Доставка   Помощь   Обратная связь

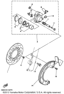
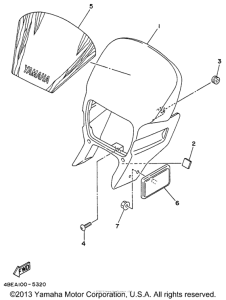
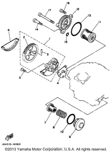
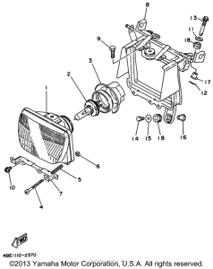
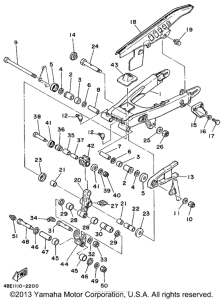
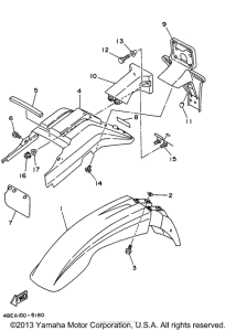
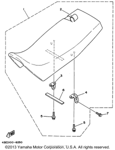
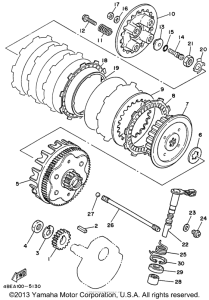
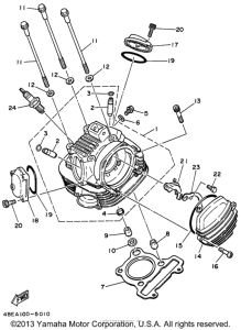
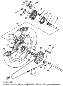
Запчасти для мотоциклов Yamaha XT225H Serow

Год: 1996  •  Объем двигателя: 225
Запчасти для мотоциклов Yamaha XT225H Serow
{modalWnd}