OEM ЗАПЧАСТИ

  info@automotohub.ru   8 (916) 294-84-77
  О Компании   Оплата и Доставка   Помощь   Обратная связь

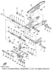
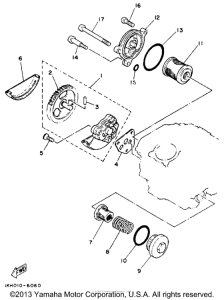
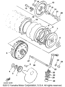
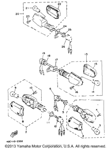
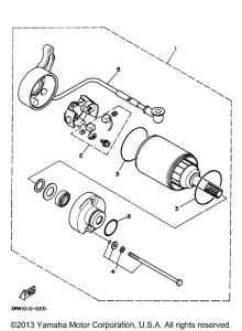
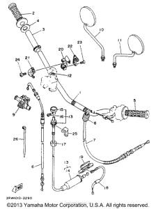
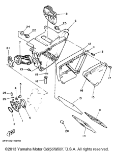
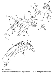
Запчасти для мотоциклов Yamaha XT225E Serow

Год: 1993  •  Объем двигателя: 225
Запчасти для мотоциклов Yamaha XT225E Serow
{modalWnd}