OEM ЗАПЧАСТИ

  info@automotohub.ru   8 (916) 294-84-77
  О Компании   Оплата и Доставка   Помощь   Обратная связь

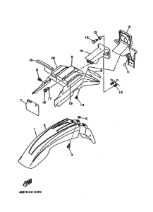
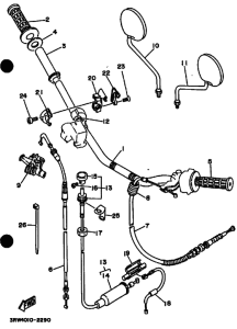
Запчасти для мотоциклов Yamaha XT225 XT225E XT225

Год: 1993  •  Код модели: 4BE6  •  Объем двигателя: 225
Запчасти для мотоциклов Yamaha XT225 XT225E XT225
{modalWnd}