OEM ЗАПЧАСТИ

  info@automotohub.ru   8 (916) 294-84-77
  О Компании   Оплата и Доставка   Помощь   Обратная связь

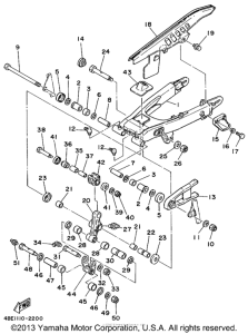
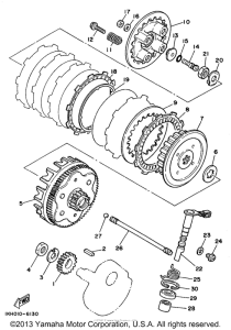
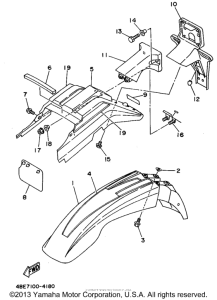
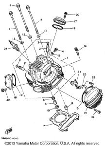
Запчасти для мотоциклов Yamaha XT225FC Serow

Год: 1994  •  Объем двигателя: 225
Запчасти для мотоциклов Yamaha XT225FC Serow
{modalWnd}