OEM ЗАПЧАСТИ

  info@automotohub.ru   8 (916) 294-84-77
  О Компании   Оплата и Доставка   Помощь   Обратная связь

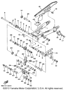
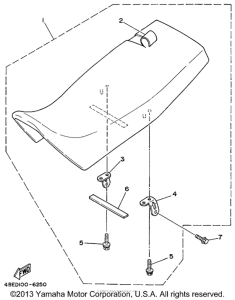
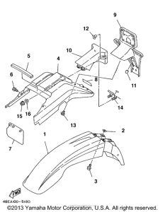
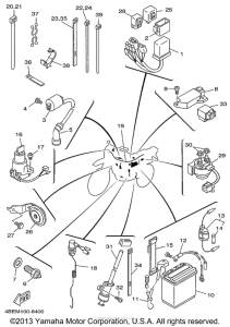
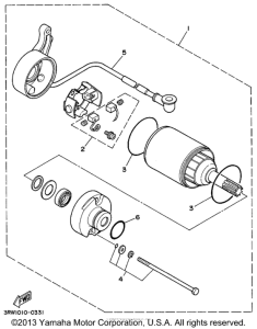
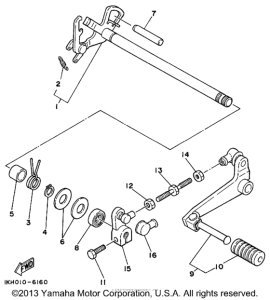
Запчасти для мотоциклов Yamaha XT225L Serow

Год: 1999  •  Объем двигателя: 225
Запчасти для мотоциклов Yamaha XT225L Serow
{modalWnd}