OEM ЗАПЧАСТИ

  info@automotohub.ru   8 (916) 294-84-77
  О Компании   Оплата и Доставка   Помощь   Обратная связь

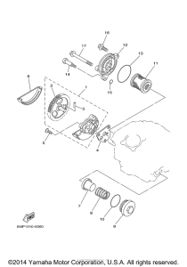
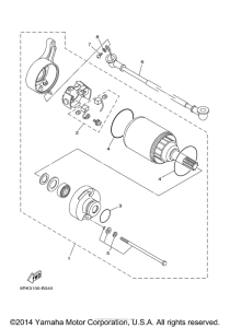
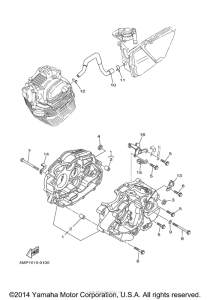
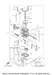
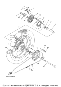
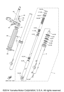
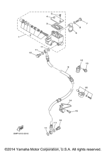
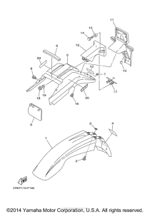
Запчасти для мотоциклов Yamaha XT225W XT225

Год: 2007  •  Код модели: 5RKF  •  Объем двигателя: 225
Запчасти для мотоциклов Yamaha XT225W XT225
{modalWnd}