OEM ЗАПЧАСТИ

  info@automotohub.ru   8 (916) 294-84-77
  О Компании   Оплата и Доставка   Помощь   Обратная связь

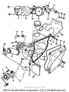
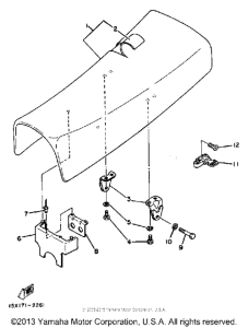
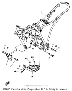
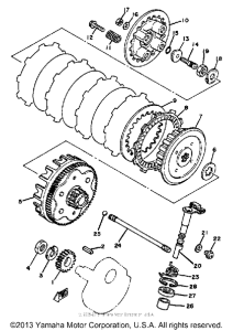
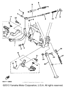
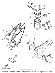
Запчасти для мотоциклов Yamaha XT200K

Год: 1983  •  Объем двигателя: 200
Запчасти для мотоциклов Yamaha XT200K
{modalWnd}