OEM ЗАПЧАСТИ

  info@automotohub.ru   8 (916) 294-84-77
  О Компании   Оплата и Доставка   Помощь   Обратная связь

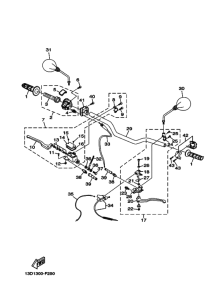
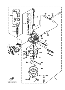
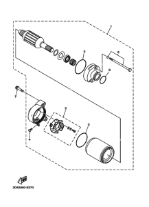
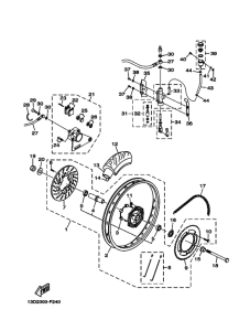
Запчасти для мотоциклов Yamaha XT125X

Год: 2007  •  Код модели: 13D2
Запчасти для мотоциклов Yamaha XT125X
{modalWnd}