OEM ЗАПЧАСТИ

  info@automotohub.ru   8 (916) 294-84-77
  О Компании   Оплата и Доставка   Помощь   Обратная связь

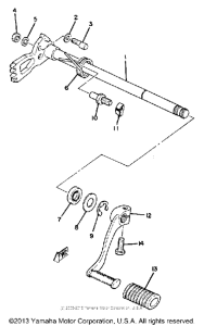
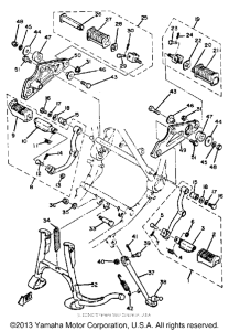
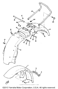
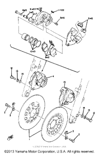
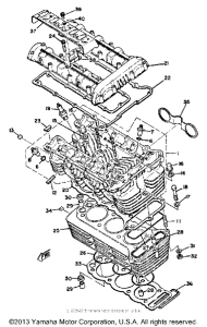
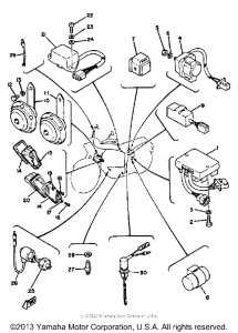
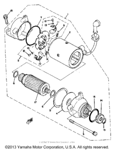
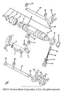
Запчасти для мотоциклов Yamaha XS850G

Год: 1980  •  Объем двигателя: 850
Запчасти для мотоциклов Yamaha XS850G
{modalWnd}