OEM ЗАПЧАСТИ

  info@automotohub.ru   8 (916) 294-84-77
  О Компании   Оплата и Доставка   Помощь   Обратная связь

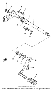
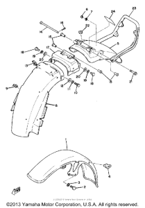
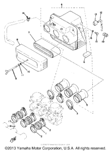
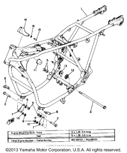
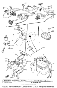
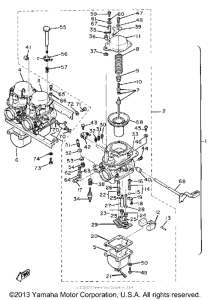
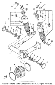
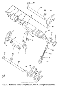
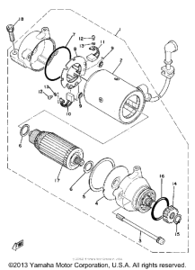
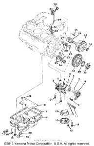
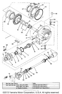
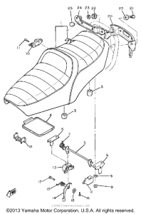
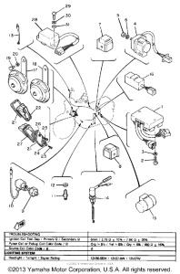
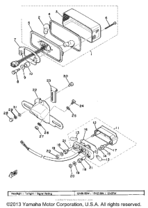
Запчасти для мотоциклов Yamaha XS850SH

Год: 1981  •  Объем двигателя: 850
Запчасти для мотоциклов Yamaha XS850SH
{modalWnd}