OEM ЗАПЧАСТИ

  info@automotohub.ru   8 (916) 294-84-77
  О Компании   Оплата и Доставка   Помощь   Обратная связь

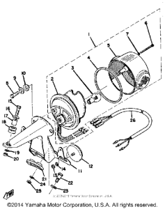
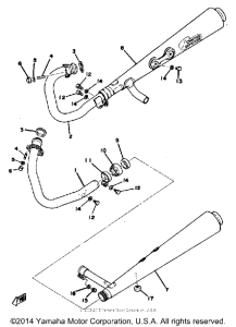
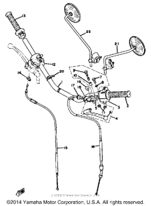
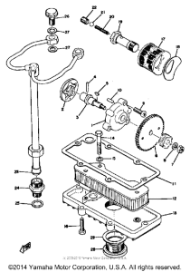
Запчасти для мотоциклов Yamaha XS650C

Год: 1976  •  Объем двигателя: 650
Запчасти для мотоциклов Yamaha XS650C
{modalWnd}