OEM ЗАПЧАСТИ

  info@automotohub.ru   8 (916) 294-84-77
  О Компании   Оплата и Доставка   Помощь   Обратная связь

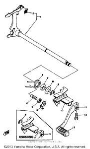
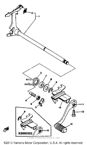
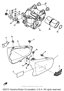
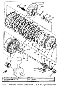
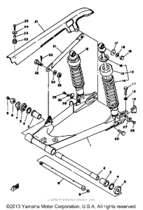
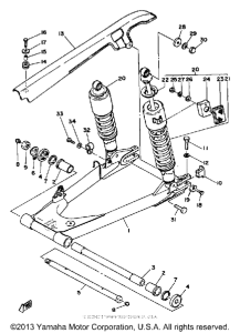
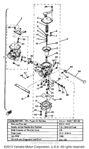
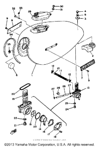
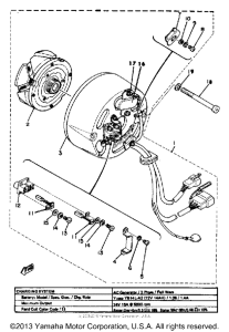
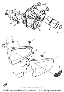
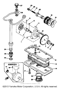
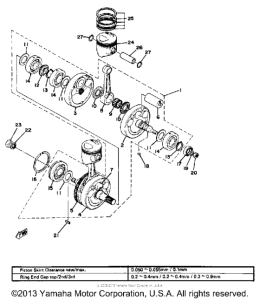
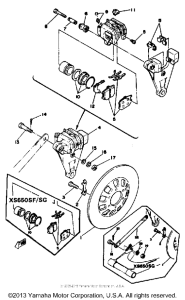
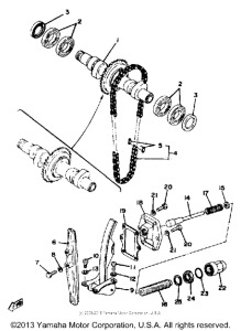
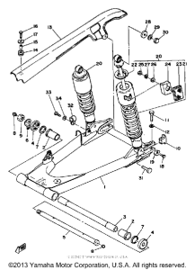
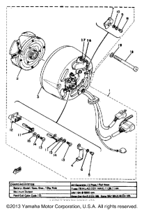
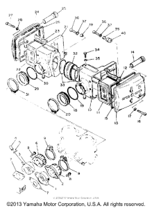
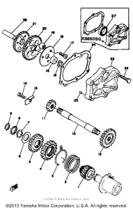
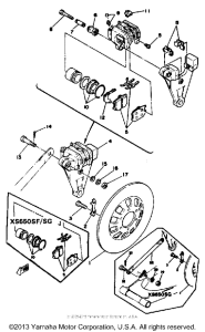
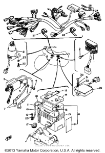
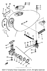
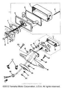
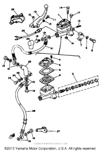
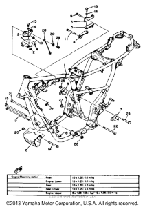
Запчасти для мотоциклов Yamaha XS650SE

Год: 1978  •  Объем двигателя: 650
Запчасти для мотоциклов Yamaha XS650SE
Выбирайте узел вашей техники:


{modalWnd}