OEM ЗАПЧАСТИ

  info@automotohub.ru   8 (916) 294-84-77
  О Компании   Оплата и Доставка   Помощь   Обратная связь

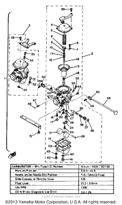
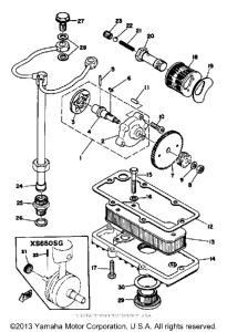
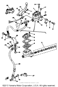
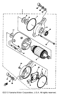
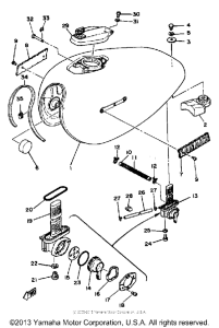
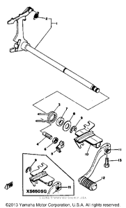
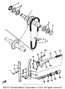
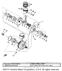
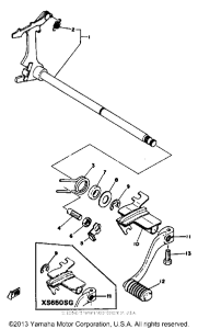
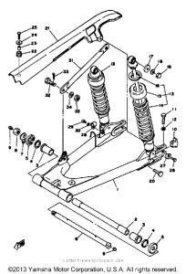
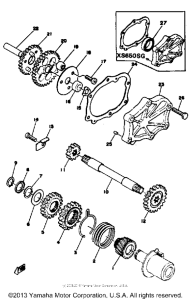
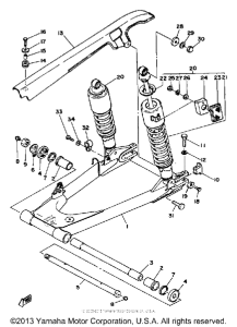
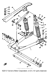
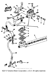
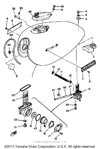
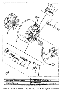
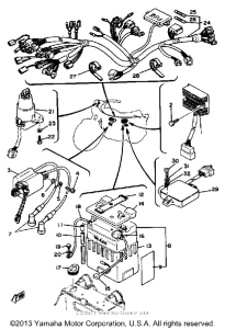
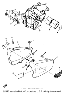
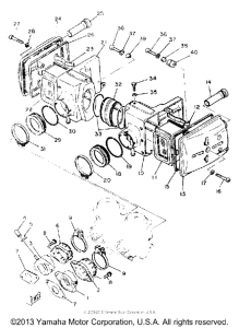
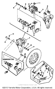
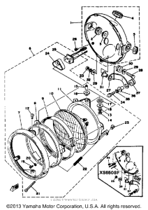
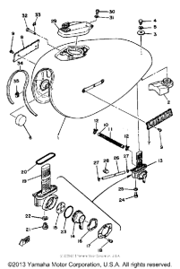
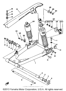
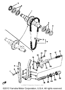
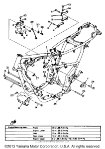
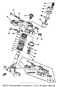
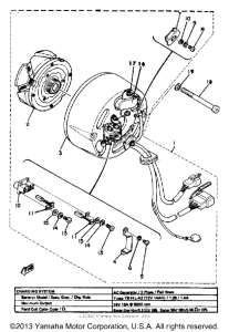
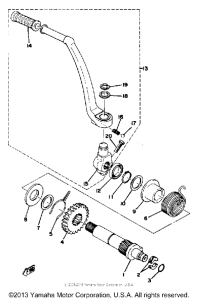
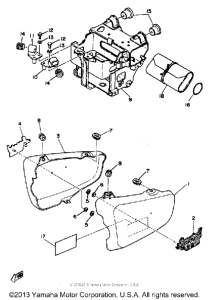
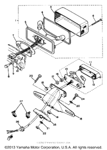
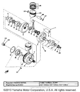
Запчасти для мотоциклов Yamaha XS650SE-11 - 1978

Год: 1978  •  Объем двигателя: 650
Запчасти для мотоциклов Yamaha XS650SE-11 - 1978
Выбирайте узел вашей техники:


{modalWnd}