OEM ЗАПЧАСТИ

  info@automotohub.ru   8 (916) 294-84-77
  О Компании   Оплата и Доставка   Помощь   Обратная связь

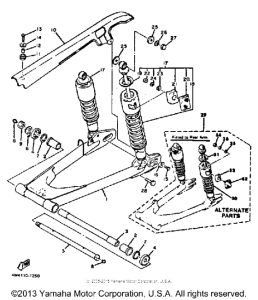
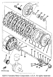
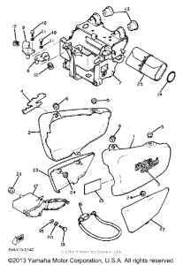
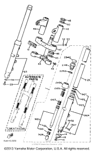
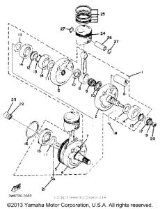
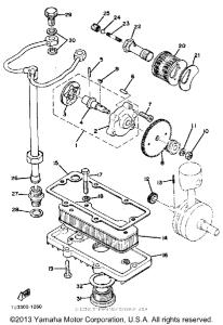
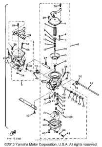
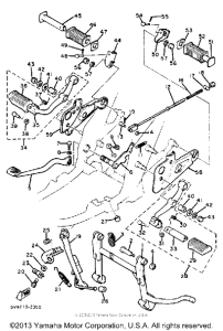
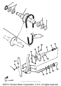
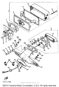
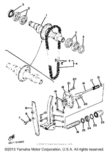
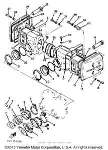
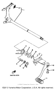
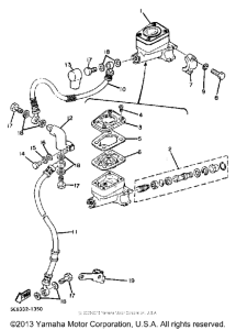
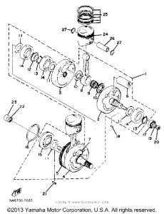
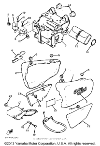
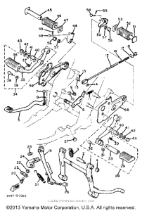
Запчасти для мотоциклов Yamaha XS650SJ

Год: 1982  •  Объем двигателя: 650
Запчасти для мотоциклов Yamaha XS650SJ
{modalWnd}