OEM ЗАПЧАСТИ

  info@automotohub.ru   8 (916) 294-84-77
  О Компании   Оплата и Доставка   Помощь   Обратная связь

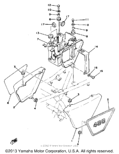
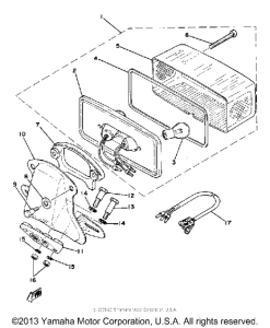
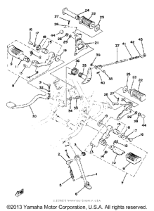
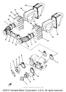
Запчасти для мотоциклов Yamaha XS400-2E - 1978

Год: 1978  •  Объем двигателя: 400
Запчасти для мотоциклов Yamaha XS400-2E - 1978
{modalWnd}