OEM ЗАПЧАСТИ

  info@automotohub.ru   8 (916) 294-84-77
  О Компании   Оплата и Доставка   Помощь   Обратная связь

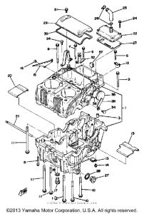
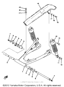
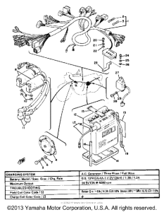
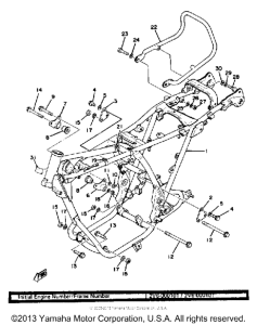
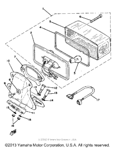
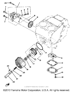
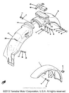
Запчасти для мотоциклов Yamaha XS400_2F - 1979

Год: 1979  •  Объем двигателя: 400
Запчасти для мотоциклов Yamaha XS400_2F - 1979
{modalWnd}