OEM ЗАПЧАСТИ

  info@automotohub.ru   8 (916) 294-84-77
  О Компании   Оплата и Доставка   Помощь   Обратная связь

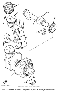
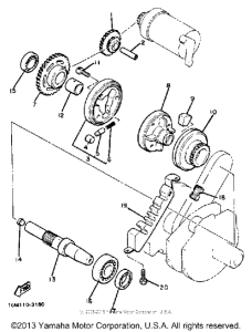
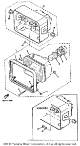
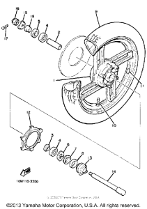
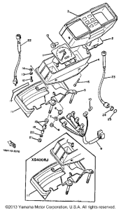
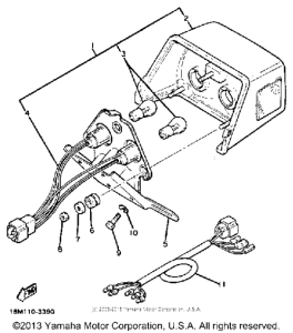
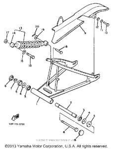
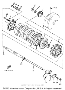
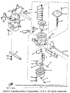
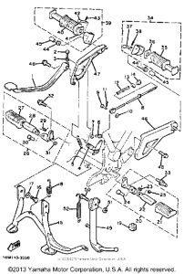
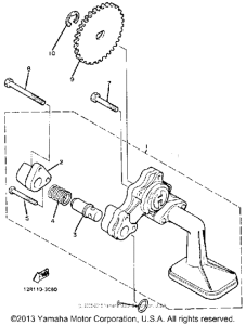
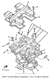
Запчасти для мотоциклов Yamaha XS400RK

Год: 1983  •  Объем двигателя: 400
Запчасти для мотоциклов Yamaha XS400RK
{modalWnd}