OEM ЗАПЧАСТИ

  info@automotohub.ru   8 (916) 294-84-77
  О Компании   Оплата и Доставка   Помощь   Обратная связь

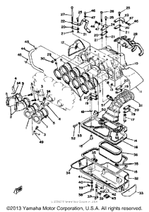
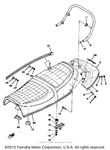
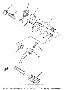
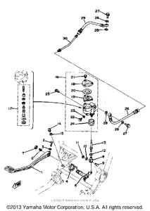
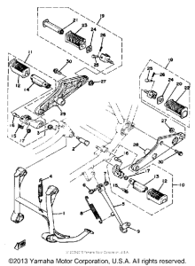
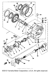
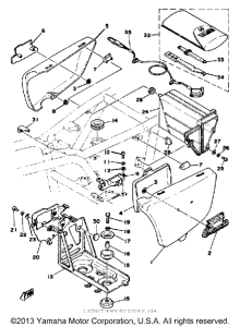
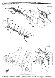
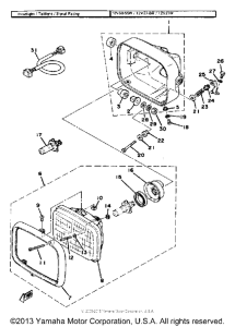
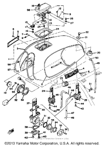
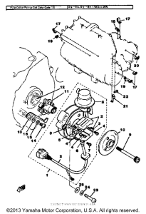
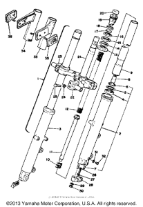
Запчасти для мотоциклов Yamaha XS1100F

Год: 1979  •  Объем двигателя: 1100
Запчасти для мотоциклов Yamaha XS1100F
{modalWnd}