OEM ЗАПЧАСТИ

  info@automotohub.ru   8 (916) 294-84-77
  О Компании   Оплата и Доставка   Помощь   Обратная связь

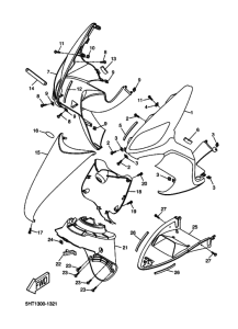
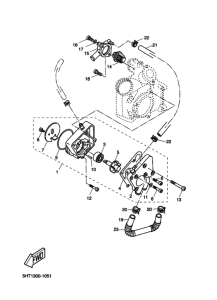
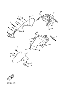
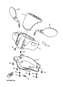
Запчасти для мотоциклов Yamaha XQ125 Thunder

Год: 2001  •  Код модели: 5HT2  •  Объем двигателя: 125
Запчасти для мотоциклов Yamaha XQ125 Thunder
{modalWnd}