OEM ЗАПЧАСТИ

  info@automotohub.ru   8 (916) 294-84-77
  О Компании   Оплата и Доставка   Помощь   Обратная связь

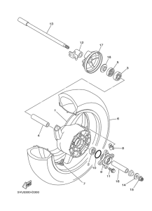
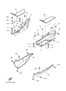
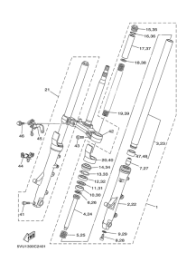
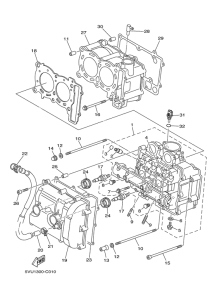
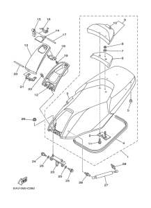
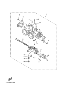
Запчасти для мотоциклов Yamaha XP500A T-MAX

Год: 2005  •  Код модели: 5VU5  •  Объем двигателя: 500
Запчасти для мотоциклов Yamaha XP500A T-MAX
{modalWnd}