OEM ЗАПЧАСТИ

  info@automotohub.ru   8 (916) 294-84-77
  О Компании   Оплата и Доставка   Помощь   Обратная связь

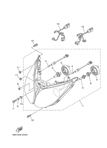
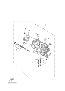
Запчасти для мотоциклов Yamaha XP500X T-MAX

Год: 2008  •  Код модели: 4B52  •  Объем двигателя: 500
Запчасти для мотоциклов Yamaha XP500X T-MAX
{modalWnd}