OEM ЗАПЧАСТИ

  info@automotohub.ru   8 (916) 294-84-77
  О Компании   Оплата и Доставка   Помощь   Обратная связь

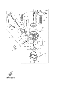
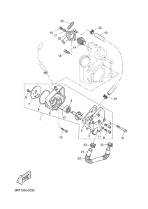
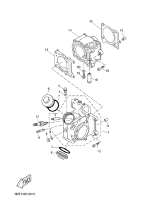
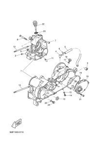
Запчасти для мотоциклов Yamaha XN125

Год: 2000  •  Код модели: 5MF1  •  Объем двигателя: 125
Запчасти для мотоциклов Yamaha XN125
{modalWnd}