OEM ЗАПЧАСТИ

  info@automotohub.ru   8 (916) 294-84-77
  О Компании   Оплата и Доставка   Помощь   Обратная связь

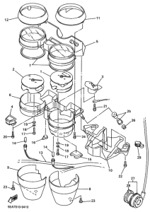
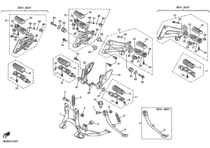
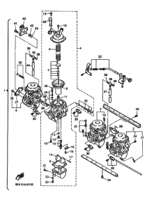
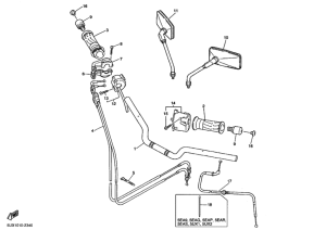
Запчасти для мотоциклов Yamaha XJR1300 XJR1300

Год: 1999  •  Код модели: 5EA7  •  Объем двигателя: 1300
Запчасти для мотоциклов Yamaha XJR1300 XJR1300
{modalWnd}