OEM ЗАПЧАСТИ

  info@automotohub.ru   8 (916) 294-84-77
  О Компании   Оплата и Доставка   Помощь   Обратная связь

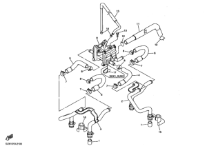
Запчасти для мотоциклов Yamaha XJR1300 XJR1300

Год: 2002  •  Код модели: 5UX2  •  Объем двигателя: 1300
Запчасти для мотоциклов Yamaha XJR1300 XJR1300
{modalWnd}