OEM ЗАПЧАСТИ

  info@automotohub.ru   8 (916) 294-84-77
  О Компании   Оплата и Доставка   Помощь   Обратная связь

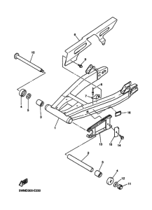
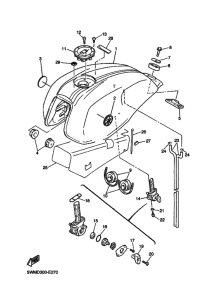
Запчасти для мотоциклов Yamaha XJR1300 XJR1300

Год: 2006  •  Код модели: 5WMD  •  Объем двигателя: 1300
Запчасти для мотоциклов Yamaha XJR1300 XJR1300
{modalWnd}