OEM ЗАПЧАСТИ

  info@automotohub.ru   8 (916) 294-84-77
  О Компании   Оплата и Доставка   Помощь   Обратная связь

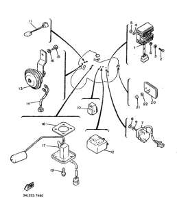
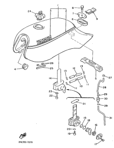
Запчасти для мотоциклов Yamaha XJ900F Diversion

Год: 1987  •  Код модели: 2HL  •  Объем двигателя: 900
Запчасти для мотоциклов Yamaha XJ900F Diversion
{modalWnd}