OEM ЗАПЧАСТИ

  info@automotohub.ru   8 (916) 294-84-77
  О Компании   Оплата и Доставка   Помощь   Обратная связь

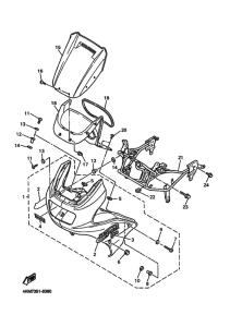
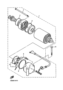
Запчасти для мотоциклов Yamaha XJ900S Diversion

Год: 1998  •  Код модели: 4KM7  •  Объем двигателя: 900
Запчасти для мотоциклов Yamaha XJ900S Diversion
{modalWnd}