OEM ЗАПЧАСТИ

  info@automotohub.ru   8 (916) 294-84-77
  О Компании   Оплата и Доставка   Помощь   Обратная связь

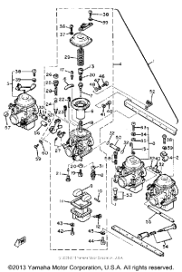
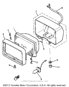
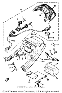
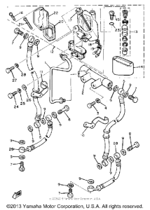
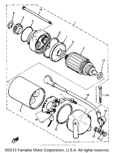
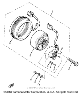
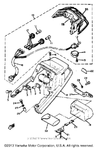
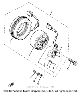
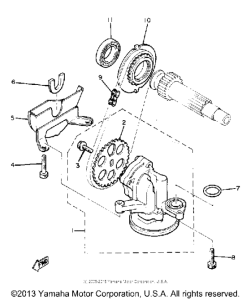
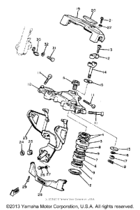
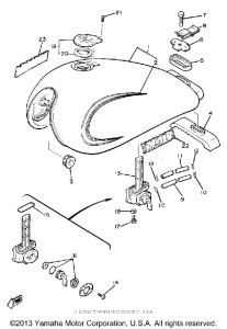
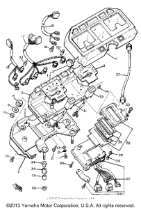
Запчасти для мотоциклов Yamaha XJ750RH

Год: 1981  •  Объем двигателя: 750
Запчасти для мотоциклов Yamaha XJ750RH
{modalWnd}