OEM ЗАПЧАСТИ

  info@automotohub.ru   8 (916) 294-84-77
  О Компании   Оплата и Доставка   Помощь   Обратная связь

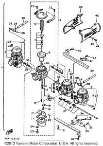
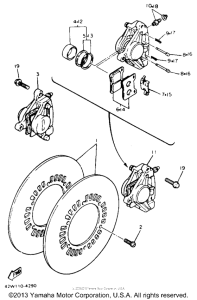
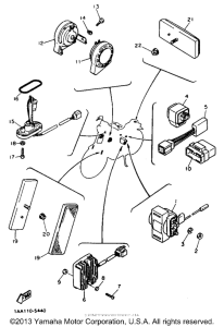
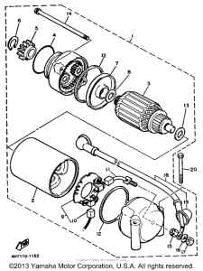
Запчасти для мотоциклов Yamaha XJ700XN Maxim X

Год: 1985  •  Объем двигателя: 700
Запчасти для мотоциклов Yamaha XJ700XN Maxim X
{modalWnd}