OEM ЗАПЧАСТИ

  info@automotohub.ru   8 (916) 294-84-77
  О Компании   Оплата и Доставка   Помощь   Обратная связь

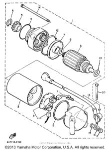
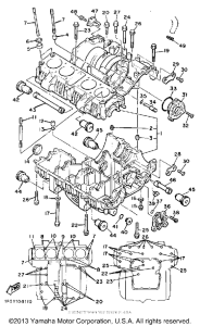
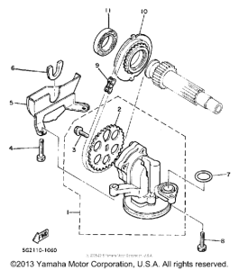
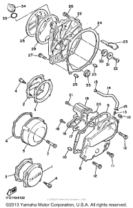
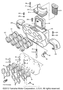
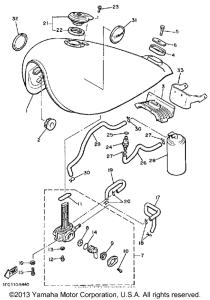
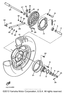
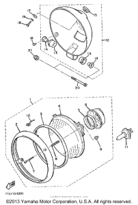
Запчасти для мотоциклов Yamaha XJ700N Maxim

Год: 1985  •  Объем двигателя: 700
Запчасти для мотоциклов Yamaha XJ700N Maxim
{modalWnd}