OEM ЗАПЧАСТИ

  info@automotohub.ru   8 (916) 294-84-77
  О Компании   Оплата и Доставка   Помощь   Обратная связь

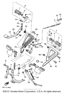
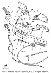
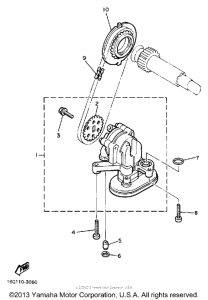
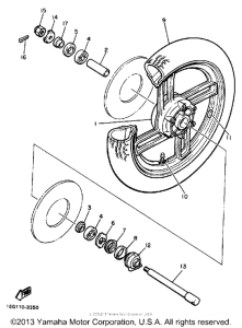
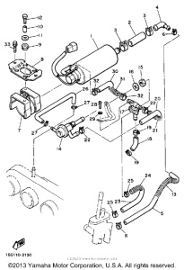
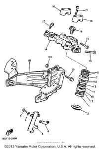
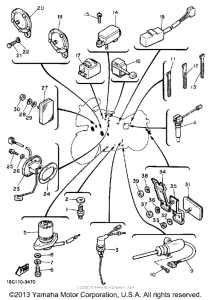
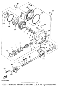
Запчасти для мотоциклов Yamaha XJ650LJ

Год: 1982  •  Объем двигателя: 650
Запчасти для мотоциклов Yamaha XJ650LJ
{modalWnd}