OEM ЗАПЧАСТИ

  info@automotohub.ru   8 (916) 294-84-77
  О Компании   Оплата и Доставка   Помощь   Обратная связь

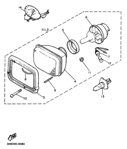
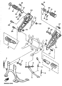
Запчасти для мотоциклов Yamaha XJ600 Diversion (S-TYPE)

Год: 1989  •  Код модели: 3KM1  •  Объем двигателя: 600
Запчасти для мотоциклов Yamaha XJ600 Diversion (S-TYPE)
{modalWnd}