OEM ЗАПЧАСТИ

  info@automotohub.ru   8 (916) 294-84-77
  О Компании   Оплата и Доставка   Помощь   Обратная связь

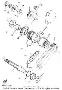
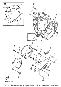
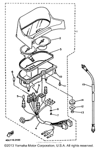
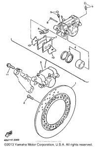
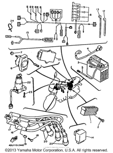
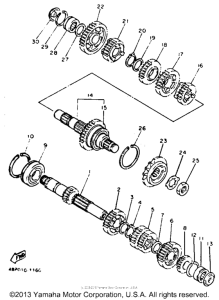
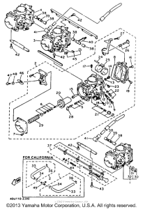
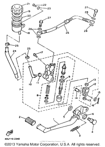
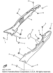
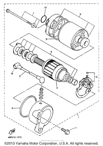
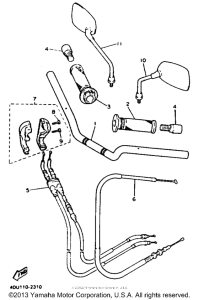
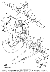
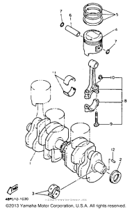
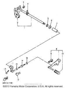
Запчасти для мотоциклов Yamaha XJ600SDC SECA II

Год: 1992  •  Объем двигателя: 600
Запчасти для мотоциклов Yamaha XJ600SDC SECA II
{modalWnd}