OEM ЗАПЧАСТИ

  info@automotohub.ru   8 (916) 294-84-77
  О Компании   Оплата и Доставка   Помощь   Обратная связь

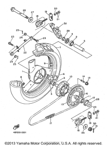
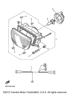
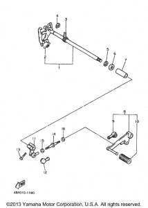
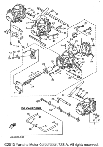
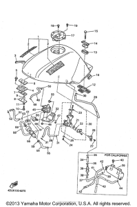
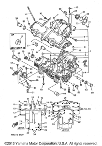
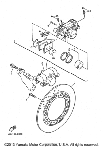
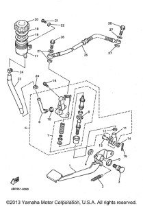
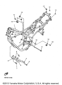
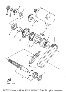
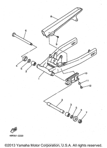
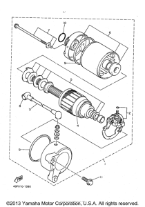
Запчасти для мотоциклов Yamaha XJ600SK SECA II

Год: 1998  •  Объем двигателя: 600
Запчасти для мотоциклов Yamaha XJ600SK SECA II
{modalWnd}