OEM ЗАПЧАСТИ

  info@automotohub.ru   8 (916) 294-84-77
  О Компании   Оплата и Доставка   Помощь   Обратная связь

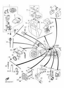
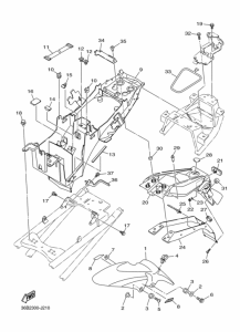
Запчасти для мотоциклов Yamaha XJ6SA Diversion (S-TYPE, ABS)

Год: 2010  •  Код модели: 36D2  •  Объем двигателя: 600
Запчасти для мотоциклов Yamaha XJ6SA Diversion (S-TYPE, ABS)
Выбирайте узел вашей техники:


{modalWnd}