OEM ЗАПЧАСТИ

  info@automotohub.ru   8 (916) 294-84-77
  О Компании   Оплата и Доставка   Помощь   Обратная связь

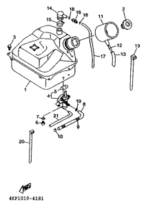
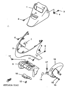
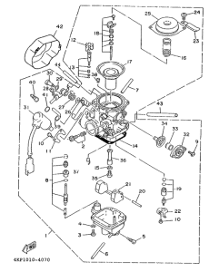
Запчасти для мотоциклов Yamaha XC125 Cygnus

Год: 1996  •  Код модели: 4UT1  •  Объем двигателя: 125
Запчасти для мотоциклов Yamaha XC125 Cygnus
{modalWnd}