OEM ЗАПЧАСТИ

  info@automotohub.ru   8 (916) 294-84-77
  О Компании   Оплата и Доставка   Помощь   Обратная связь

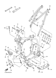
Запчасти для мотоциклов Yamaha WR450FT

Год: 2005  •  Код модели: 5TJ8  •  Объем двигателя: 450
Запчасти для мотоциклов Yamaha WR450FT
{modalWnd}