OEM ЗАПЧАСТИ

  info@automotohub.ru   8 (916) 294-84-77
  О Компании   Оплата и Доставка   Помощь   Обратная связь

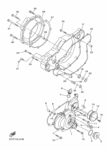
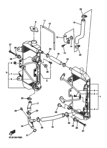
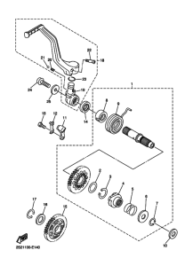
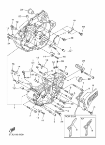
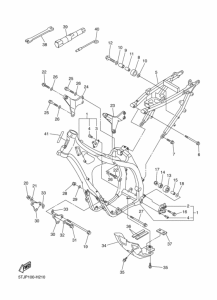
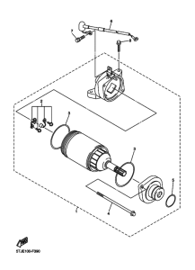
Запчасти для мотоциклов Yamaha WR450F

Год: 2010  •  Код модели: 5TJV  •  Объем двигателя: 450
Запчасти для мотоциклов Yamaha WR450F
{modalWnd}